DB400 Inline 6 Speed Sequential Gearbox
The layout of our gearbox allows it to be layed on its side if required, ie the main shaft and the lay shaft can both lay in the same horizontal plane or in the normal manner, one above the other. This gives an advantage when used horizontally by allowing the engine to be lowered in some cases 100mm, giving a substantial gain in terms of overall centre of gravity. It is available in both magnesium or alloy cases, it is fully paddle shift compliant, the gearbox can be supplied with a number of ratios and drop gear ratios to account for the rear diff ratio. Gearlever can be separately mounted on the tunnel and is rod operated, this gearbox is now legendary due to its development by the late great C Mcrae and is in use worldwide in all manner of applications.
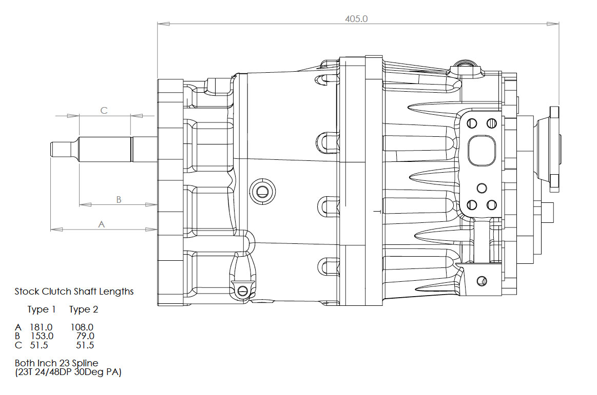
Click here to view/download layout schematics (PDF)
Specification :
- Weight 33Kgs with magnesium casings
- 3 bearings per shaft
- Carbon fibre gearlever
- Ultra compact slave cylinder
- gear position potentiometer and digital readout
- Aerospace alloys used throughout
Uses :
- Any Inline Rally
- Racing
- Hill-climb
- Touring
- GT Cars
Fitments include :
- BMW
- Viper
- TVR
- Corvette
- Nissan 350Z
- Escort
- Sierra
£7750 + VAT
Please feel free to call us with any questions you may have.
01623 836503
Check out the videos to see the gearbox in action in a variety of cars


